
Микроволновый датчик движения с инновационной конструкцией и большим радиусом действия
Бренд:
HAISENПункт №.:
HD401S CRПорядок (MOQ):
100PCSОплата:
L/C, T/T, Western UnionПроисхождение продукта:
Chinaсертификация:
UL,FCC,TUV,RED,CE,ROHS
Микроволновый датчик движения с инновационной конструкцией и большим радиусом действия
Функции:
Описание:
HD401S CR — инновационный активный датчик движения с высокочастотной системой 5,8 ГГц. Он автоматически включает/выключает свет в зависимости от движения и уровня освещенности. Может управлять всеми типами ламп, например, галогенными, люминесцентными и светодиодными. Компактный размер и небольшой корпус позволяют устанавливать датчик в большинство светильников. Датчик обнаруживает движение через пластик, стекло и тонкие неметаллические материалы.
Подробное описание продукта:
Операционная Напряжение | 120~277 В переменного тока 50/60 Гц |
Коммутационная способность | Макс. 3,0 А при 120 В переменного тока; Макс. 2,0 А при 277 В переменного тока |
Резервное питание | <1 Вт |
Зона обнаружения | 50%/100% |
Время удержания | 5с/1мин/5мин/10мин |
Порог дневного света | 2 люкс/10 люкс/50 люкс/отключить |
Частота микроволн | 5,8 ГГц±75 МГц |
Высота установки | Макс. 6 м/19,68 фута |
Диапазон обнаружения | Макс.ø14 м/45,92 фута |
Угол обнаружения | 30°-150° |
Рабочая температура | -20°С~+60°С |
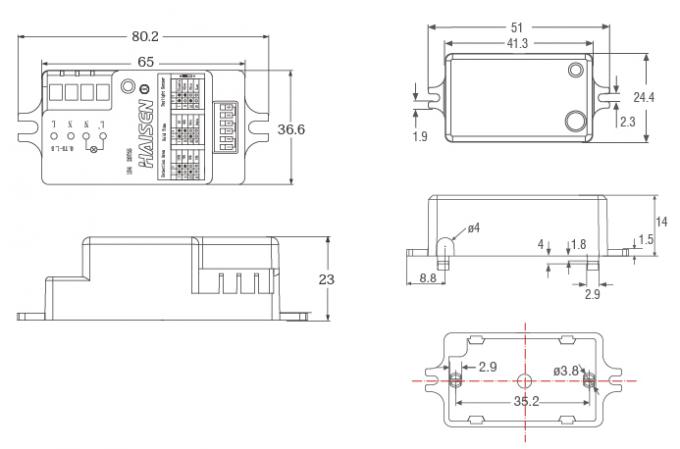
Размер | 80,2X36,6X23 мм |
Рейтинг IP | IP20 |
Гарантия | 5 лет |
Дизайн | Компактный дизайн |
Сертификат | сертифицировано cULus,FCC |
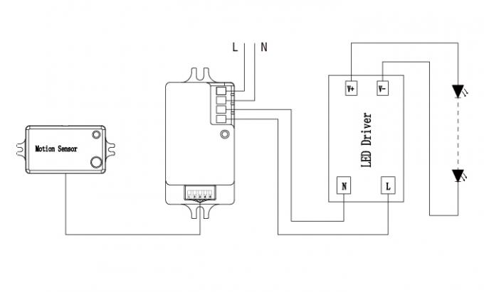
Схема электропроводки
Механическая структура (мм)
Инструкция по установке
Зона обнаружения
Демо
Приложение
Предыдущий:
50 60 Гц Микроволновый датчик движения Вкл. Выкл. Датчик присутствия с регулировкой яркостиСледующий:
Микроволновый датчик движения с частотой 5,8 ГГц для потолочного светильникаЕсли у вас есть вопросы или предложения, пожалуйста, оставьте нам сообщение, мы ответим вам как можно скорее!
Категории
Новые продукты
12 В постоянного тока IP65 PIR-датчик с функцией приоритета дневного света Читать далее
Сменный датчик MW/PIR для высоких и низких отсеков Читать далее
Сменный датчик PIR/MW для высоких и низких отсеков Читать далее
Микроволновый датчик движения со стержневой антенной, DIP-переключателем и функцией включения/выключения, компактный размер Читать далее
© Авторское право: 2025 Microtionlight Все права защищены.
Specated Ipv6 Network